Home > Technologies > AutoCAD Plant 3D
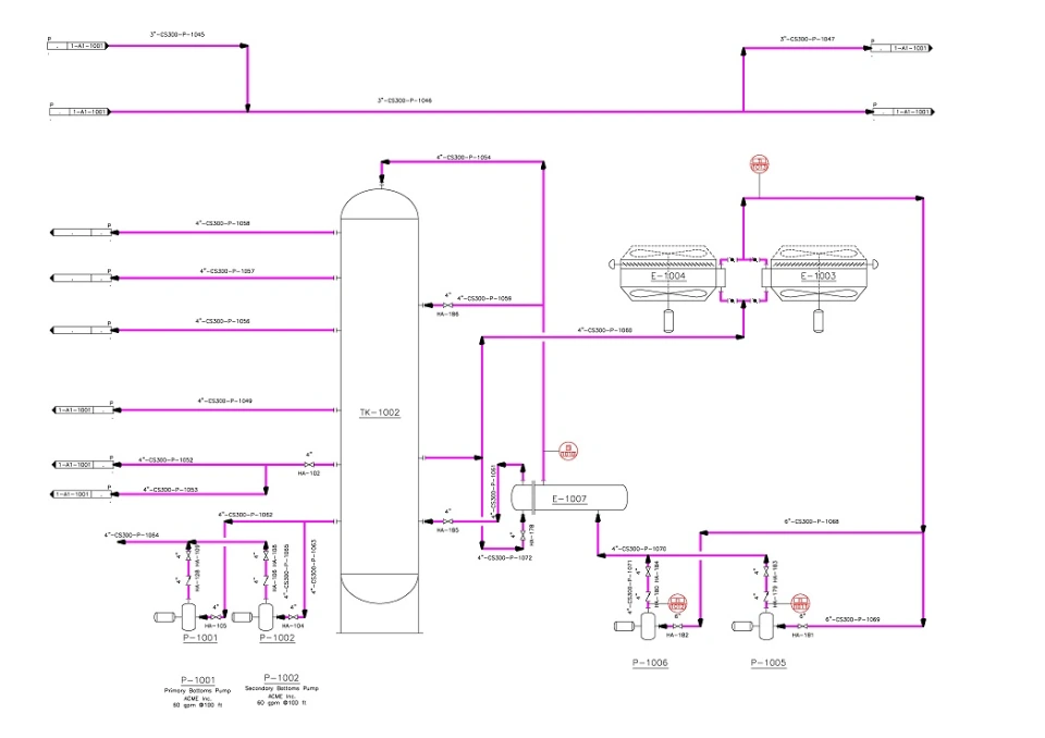
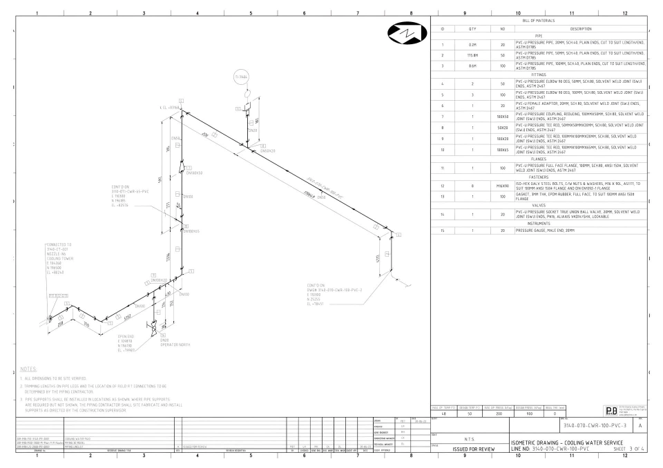
Lavicas has been depoying Autocad Plant 3D software for several years. We take pride in being the leading Plant 3D firm in Vietnam, offering 3D modeling solutions for process and mechanical engineering applications for industrial facilities. We are specialists in creating databases and application tools for use with Plant 3D.
We offer complete support to provide multidisciplinary Plant 3D modeling services for Piping, Mechanical Equipment, Civil, Structure, E&I, and HVAC with consideration of the best equipment & structure locations, E&I cable tray routes, and piping routes.
